事業概要
事業の概要
【関係市町】京都府亀岡市
【受益面積】447ha
【事業期間】平成26年度~令和8年度(予定)
【総 事 業 費】150億円 (平成24年度単価であり、物価変動、工法変更等により増減があります。)
【主要工事】区画整理447ha
事業目的と必要性
本地区の農地は多くが狭小・不整形であるため、効率的な機械利用が図られていない状況である。水稲を中心とした土地利用型農業の経営が行われてきたが、農業従事者の高齢化等の様々な問題が顕在化し、耕作放棄地も散見されるなど、農業生産基盤の脆弱化が進んでいる。
このため、本事業は、土地利用の整序化・担い手への農地利用集積を進めるための区画整理を行い、農業経営の合理化と構造改善を図るものである。
主要工事の概要
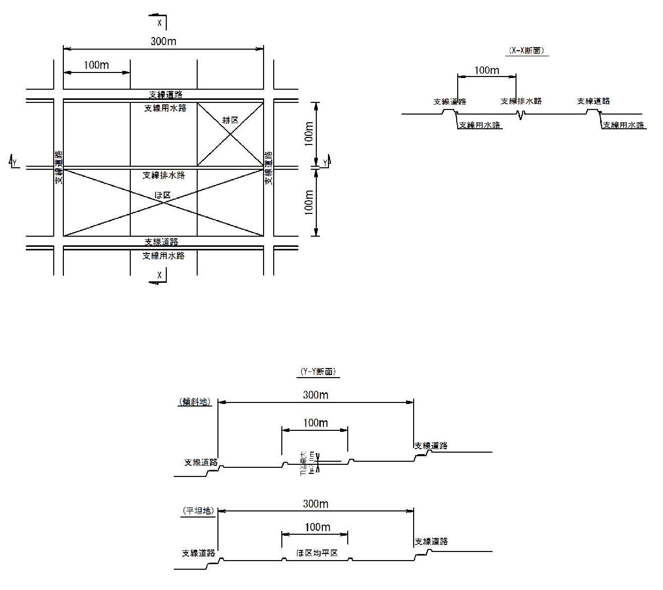
(1)区画形状の検討1
区画計画は、営農計画、用排水管理、地形条件など総合的に検討して決定する。
本地区は、傾斜地(100分の1以上、20分の1未満)、平坦地(100分の1未満)で構成されているが、いずれも農作業効率化のため、大区画(1ha)の確保を目指した区画計画としている。
標準区画の最大は、1haとし、地形勾配による制約から田差2mを限度として0.5ha、0.3ha、0.2haを配置する。
(1)区画形状の検討2
水路は原則として、維持管理を考慮して支線道路に沿って配置し、用水路と排水路は分離する。
道路について、農区長辺側は、耕区長辺長が100mのため概ね200mの間隔、農区短辺側は、ほ区の長辺長が300mのため概ね300mの間隔に配置する。
(2)道路配置計画
道路の種類は、用途に応じて以下を設定する。


(3)排水路
本地区の放流先は、河川が大半を占めるが、部分的に既設水路へ放流することとなる。
京都府下のほ場整備実績により、排水路は鉄筋コンクリートベンチフリュームを使用した開水路とする。このことにより、底面が平滑となり、土砂上げ等が容易となる。
また、鉄筋コンクリートベンチフリュームを超える流下能力が必要な場所には、鉄筋コンクリート組立柵渠を使用する。上記の構造・水理で満足できない場合は、L形水路等、荷重条件や水密性・経済性を検討し決定する。
排水路断面は2分の1年確率排水量をフリューム内で流下させ、10分の1年確率排水量を土羽部で流下させることが可能な断面を設定する。
(4)暗渠排水
田畑輪換等を推進するための暗渠排水の整備については、土壌調査結果等に基づき要否を決定しており、土壌区分がグライ土壌の箇所に暗渠排水を計画する。
事業の効果
本事業においてほ場整備を実施し、各工区の生産組織に農地の利用集積を行い、耕作放棄地の発生防止、経営規模の拡大及び経営の合理化を図り、また、土地利用の整序化を通じて農業の振興を基幹とした地域の活性化に寄与する。
本地区では、事業の進捗に合わせて活動強化を図ることとしている団地毎の集落営農組織(生産組織)を「亀岡地域農業担い手認定者」として地区の主要な担い手として明確に位置づけており、これら集落営農組織への農地利用集積を推進するとしている。
また、これらの担い手が相互に連携した「亀岡中部地区生産組織」により、作付調整や技術普及を図り、土地利用型作物の生産拡大やブランド力を生かした「京野菜」の作付増を図ることとしている。
お問合せ先
亀岡中部農地整備事業所
ダイヤルイン:0771-29-0260




